Non ci sono articoli nel tuo carrello
SCHEDA ARTICOLO

NU 2316 ECP

CUSCINETTO
Codice: 18516
Disponibilità: Disp. limitata
Disponibilità: 5 disponibile
Marca: SKF
Unità di misura: NR
Quantitativi ammessi: multipli di 1X
€357,11

Descrizione

Dimensioni: Foro: 80 mm Diametro: 170 mm Spessore: 58 mm Peso: 5,832 kg


Dettagli

  • EAN-Code :
  • Taric number : 84825000

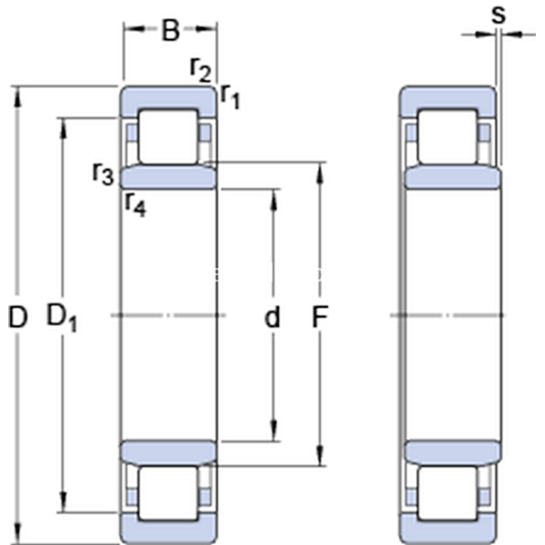
Dimensioni
d 80mm
D 170mm
B 58mm
D1142.8mm
F 101mm
r1,2min.2.1mm
r3,4min.2.1mm
smax.5.1mm
Dimensions
Dimensioni Dello Spallamento
damin.92mm
damax.98mm
dbmin.104mm
Damax.157.8mm
ramax.2mm
rbmax.2mm
Dati Di Calcolo
Coefficiente di carico dinamicoC 415kN
Coefficiente di carico statico di baseC0 440kN
Carico limite di faticaPu 55kN
Velocità di riferimento  4300r/min
Velocità limite  5000r/min
Fattore di calcolokr 0.25 
Calculation Data
Calcolo del carico: Valore limitee 0.3 
Calcolo del carico: Fattore di calcoloY 0.4 
Massa
Massa cuscinetto  5.95kg