Non ci sono articoli nel tuo carrello
SCHEDA ARTICOLO

NU 2317 ECM/C3

CUSCINETTO
Codice: 79144
Disponibilità: Disp. limitata
Disponibilità: 1 disponibile
Marca: SKF
Unità di misura: NR
Quantitativi ammessi: multipli di 1X
Da preventivare

Descrizione

Dimensioni: Foro: 85 mm Diametro: 180 mm Spessore: 60 mm Peso: 7,6694 kg


Dettagli

  • EAN-Code :
  • Taric number : 84825000

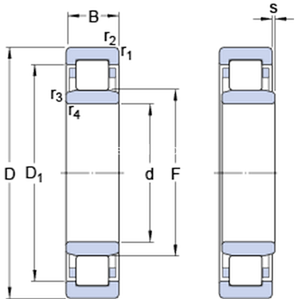
Dimensioni
d 85mm
D 180mm
B 60mm
D1151.45mm
F 108mm
r1,2min.3mm
r3,4min.3mm
smax.5.8mm
Dimensions
Dimensioni Dello Spallamento
damin.99mm
damax.105mm
dbmin.111mm
Damax.165.5mm
ramax.2.5mm
rbmax.2.5mm
Dati Di Calcolo
Coefficiente di carico dinamicoC 455kN
Coefficiente di carico statico di baseC0 490kN
Carico limite di faticaPu 60kN
Velocità di riferimento  4000r/min
Velocità limite  4800r/min
Fattore di calcolokr 0.25 
Calculation Data
Calcolo del carico: Valore limitee 0.3 
Calcolo del carico: Fattore di calcoloY 0.4 
Massa
Massa cuscinetto  7.67kg