Non ci sono articoli nel tuo carrello
SCHEDA ARTICOLO

NU 232 ECM/C3

CUSCINETTO
Codice: X1889
Disponibilità: Disp. limitata
Disponibilità: 3 disponibile
Marca: SKF
Unità di misura: NR
Quantitativi ammessi: multipli di 1X
Da preventivare

Descrizione

Dimensioni: Foro: 160 mm Diametro: 290 mm Spessore: 48 mm Peso: 14,2 kg


Dettagli

  • EAN-Code : 07316572308684
  • Taric number : 84825000

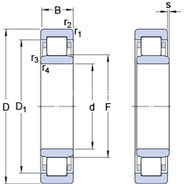
Dimensioni
d 160mm
D 290mm
B 48mm
D1248.6mm
F 195mm
r1,2min.3mm
r3,4min.3mm
smax.2.7mm
Dimensions
Dimensioni Dello Spallamento
damin.175mm
damax.191mm
dbmin.198mm
Damax.274.2mm
ramax.2.5mm
rbmax.2.5mm
Dati Di Calcolo
Coefficiente di carico dinamicoC 585kN
Coefficiente di carico statico di baseC0 680kN
Carico limite di faticaPu 72kN
Velocità di riferimento  2400r/min
Velocità limite  2600r/min
Fattore di calcolokr 0.15 
Calculation Data
Calcolo del carico: Valore limitee 0.2 
Calcolo del carico: Fattore di calcoloY 0.6 
Massa
Massa cuscinetto  14.2kg