Non ci sono articoli nel tuo carrello
SCHEDA ARTICOLO

NU 2320 ECJ

CUSCINETTO
Codice: 02426
Disponibilità: disponibile
Disponibilità: 10 disponibile
Marca: SKF
Unità di misura: NR
Quantitativi ammessi: multipli di 1X
€913,35

Descrizione

Dimensioni: Foro: 100 mm Diametro: 215 mm Spessore: 73 mm Peso: 11,925 kg


Dettagli

  • EAN-Code : 07316570585681
  • Taric number : 84825000

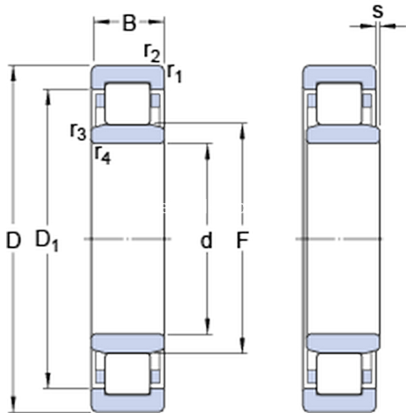
Dimensioni
d 100mm
D 215mm
B 73mm
D1181.1mm
F 127.5mm
r1,2min.3mm
r3,4min.3mm
smax.5.9mm
Dimensions
Dimensioni Dello Spallamento
damin.114mm
damax.124mm
dbmin.131mm
Damax.199.6mm
ramax.2.5mm
rbmax.2.5mm
Dati Di Calcolo
Coefficiente di carico dinamicoC 670kN
Coefficiente di carico statico di baseC0 735kN
Carico limite di faticaPu 85kN
Velocità di riferimento  3200r/min
Velocità limite  3800r/min
Fattore di calcolokr 0.25 
Calculation Data
Calcolo del carico: Valore limitee 0.3 
Calcolo del carico: Fattore di calcoloY 0.4 
Massa
Massa cuscinetto  11.9kg