Non ci sono articoli nel tuo carrello
SCHEDA ARTICOLO

NU 2322 ECP

CUSCINETTO
Codice: X1887
Disponibilità: Non disponibile
Disponibilità: Disponibile
Marca: SKF
Unità di misura: NR
Quantitativi ammessi: multipli di 1X
Da preventivare

Descrizione



  • EAN-Code : 07316570286076
  • Taric number : 84825000

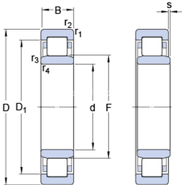
Dimensioni
d 110mm
D 240mm
B 80mm
D1200.05mm
F 143mm
r1,2min.3mm
r3,4min.3mm
smax.7.5mm
Dimensions
Dimensioni Dello Spallamento
damin.124mm
damax.139mm
dbmin.146mm
Damax.225.2mm
ramax.2.5mm
rbmax.2.5mm
Dati Di Calcolo
Coefficiente di carico dinamicoC 780kN
Coefficiente di carico statico di baseC0 900kN
Carico limite di faticaPu 102kN
Velocità di riferimento  3000r/min
Velocità limite  3400r/min
Fattore di calcolokr 0.25 
Calculation Data
Calcolo del carico: Valore limitee 0.3 
Calcolo del carico: Fattore di calcoloY 0.4 
Massa
Massa cuscinetto  16.9kg