Non ci sono articoli nel tuo carrello
SCHEDA ARTICOLO

NU 234 ECM/C3

CUSCINETTO
Codice: S1573
Disponibilità: Disp. limitata
Disponibilità: 5 disponibile
Marca: SKF
Unità di misura: NR
Quantitativi ammessi: multipli di 1X
Da preventivare

Descrizione

Dimensioni: Foro: 170 mm Diametro: 310 mm Spessore: 52 mm Peso: 17,85 kg


Dettagli

  • EAN-Code : 07316570297348
  • Taric number : 84825000

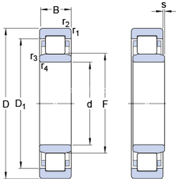
Dimensioni
d 170mm
D 310mm
B 52mm
D1267.4mm
F 207mm
r1,2min.4mm
r3,4min.4mm
smax.2.9mm
Dimensions
Dimensioni Dello Spallamento
damin.188mm
damax.203mm
dbmin.210mm
Damax.292.4mm
ramax.3mm
rbmax.3mm
Dati Di Calcolo
Coefficiente di carico dinamicoC 695kN
Coefficiente di carico statico di baseC0 815kN
Carico limite di faticaPu 85kN
Velocità di riferimento  2200r/min
Velocità limite  2400r/min
Fattore di calcolokr 0.15 
Calculation Data
Calcolo del carico: Valore limitee 0.2 
Calcolo del carico: Fattore di calcoloY 0.6 
Massa
Massa cuscinetto  17.7kg