Non ci sono articoli nel tuo carrello
SCHEDA ARTICOLO

YAR 205-2F

CUSCINETTO PER SOPPORTO
Codice: 11322
Disponibilità: disponibile
Disponibilità: 104 disponibile
Marca: SKF
Unità di misura: NR
Quantitativi ammessi: multipli di 1X
€18,92

Descrizione

Dimensioni: Foro: 25 mm Diametro: 52 mm Spessore: 34,1 mm Peso: 0,187 kg


Dettagli

  • EAN-Code : 07316577030061
  • Taric number : 84821090

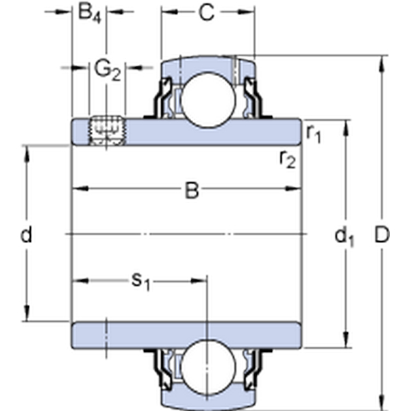
Dimensioni
d 25mm
D 52mm
B 34.1mm
C 15mm
d133.74mm
B4 5mm
r1,2min.0.6mm
s1 19.8mm
G2 M6x0.75
Dati Di Calcolo
Coefficiente di carico dinamicoC 14kN
Coefficiente di carico statico di baseC0 7.8kN
Carico limite di faticaPu 0.335kN
Velocità limite con tolleranza albero h6  7000r/min
Fattore di calcolof0 14 
Massa
Massa cuscinetto  0.19kg
Informazioni Di Montaggio
Dimensioni chiave esagonale per vite di pressioneN 3mm
Coppia di serraggio consigliata per vite di pressione  4N·m