Non ci sono articoli nel tuo carrello
SCHEDA ARTICOLO

QJ 219 N2MA

CUSCINETTO
Codice: 38308
Disponibilità: Disp. limitata
Disponibilità: 2 disponibile
Marca: SKF
Unità di misura: NR
Quantitativi ammessi: multipli di 1X
€509,87

Descrizione

Dimensioni: Foro: 95 mm Diametro: 170 mm Spessore: 32 mm Peso: 3,3039 kg


Dettagli

  • EAN-Code : 07316577108517
  • Taric number : 84821090

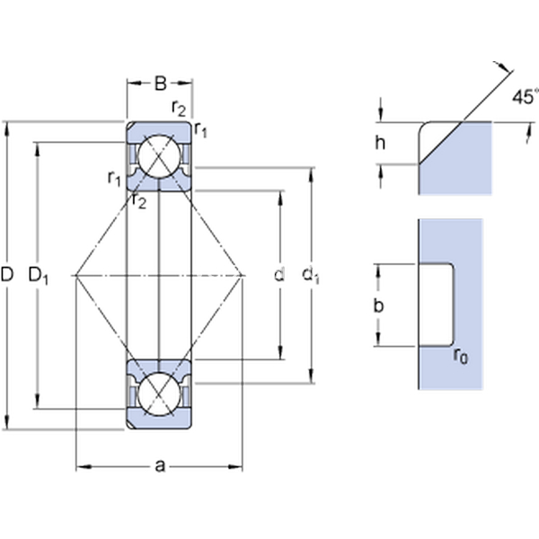
Dimensioni
d 95mm
D 170mm
B 32mm
d1120mm
D1145mm
a 93mm
h 8.1mm
b 6.5mm
r0 1mm
r1,2min.2.1mm
Dimensioni Dello Spallamento
damin.107mm
Damax.158mm
ramax.2mm
Dati Di Calcolo
Coefficiente di carico dinamicoC 212kN
Coefficiente di carico statico di baseC0 232kN
Carico limite di faticaPu 8.5kN
Velocità limite  6700r/min
Fattore di calcoloA 0.138 
Fattore di calcoloe 0.95 
Fattore di calcoloX 0.6 
Fattore di calcoloY0 0.58 
Fattore di calcoloY1 0.66 
Fattore di calcoloY2 1.07 
Massa
Massa cuscinetto  3.35kg