Non ci sono articoli nel tuo carrello
Prodotti
SCHEDA ARTICOLO

6205-2RSLTN9/HC5C3WT

CUSCINETTO SFERE CERAMICA
Codice: D6893
Disponibilità: Non disponibile
Disponibilità: Disponibile
Marca: SKF
Unità di misura: NR
Quantitativi ammessi: multipli di 1X
Da preventivare

Descrizione

Dimensioni: Foro: 25 mm Diametro: 52 mm Spessore: 15 mm


Dettagli

  • EAN-Code : 07316572024690
  • Taric number : 84821090

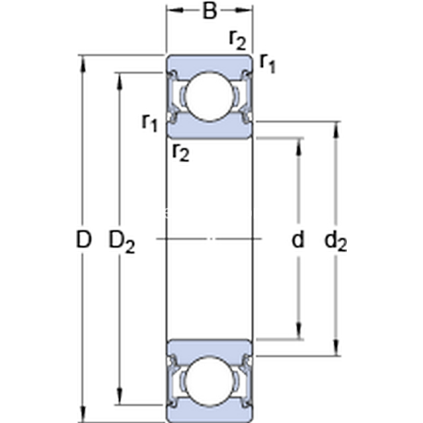
Dimensioni
d 25mm
D 52mm
B 15mm
d231.8mm
D246.3mm
r1,2min.1mm
Dimensioni Dello Spallamento
damin.30.6mm
damax.31.5mm
Damax.46.4mm
ramax.1mm
Dati Di Calcolo
Coefficiente di carico dinamicoC 14.8kN
Coefficiente di carico statico di baseC0 7.8kN
Carico limite di faticaPu 0.335kN
Velocità di riferimento  32000r/min
Velocità limite  15000r/min
Fattore di calcolokr 0.025 
Fattore di calcolof0 13.9 
Massa
Massa cuscinetto  0.13kg