Non ci sono articoli nel tuo carrello
Prodotti
SCHEDA ARTICOLO

6309-2RS1TN9/HC5C3WT

CUSCINETTO SFERE CERAMICA
Codice: Y5615
Disponibilità: Non disponibile
Disponibilità: Disponibile
Marca: SKF
Unità di misura: NR
Quantitativi ammessi: multipli di 1X
Da preventivare

Descrizione

Dimensioni: Foro: 45 mm Diametro: 100 mm Spessore: 25 mm Peso: 0,7232 kg


Dettagli

  • EAN-Code : 07316571642369
  • Taric number : 84821090

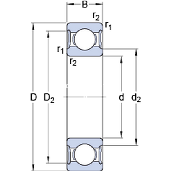
Dimensioni
d 45mm
D 100mm
B 25mm
d254mm
D286.7mm
r1,2min.1.5mm
Dimensioni Dello Spallamento
damin.54mm
damax.62.1mm
Damax.91mm
ramax.1.5mm
Dati Di Calcolo
Coefficiente di carico dinamicoC 55.3kN
Coefficiente di carico statico di baseC0 31.5kN
Carico limite di faticaPu 1.34kN
Velocità limite  4500r/min
Fattore di calcolokr 0.025 
Fattore di calcolof0 13 
Massa
Massa cuscinetto  0.15kg