Non ci sono articoli nel tuo carrello
SCHEDA ARTICOLO

7006 CD/HCP4A

CUSCINETTO SFERE CERAMICA
Codice: 84294
Disponibilità: Non disponibile
Disponibilità: Disponibile
Marca: SKF
Unità di misura: NR
Quantitativi ammessi: multipli di 1X
Da preventivare

Descrizione

Dimensioni: Foro: 30 mm Diametro: 55 mm Spessore: 13 mm


Dettagli

  • EAN-Code : 07316570378948
  • Taric number : 84821090

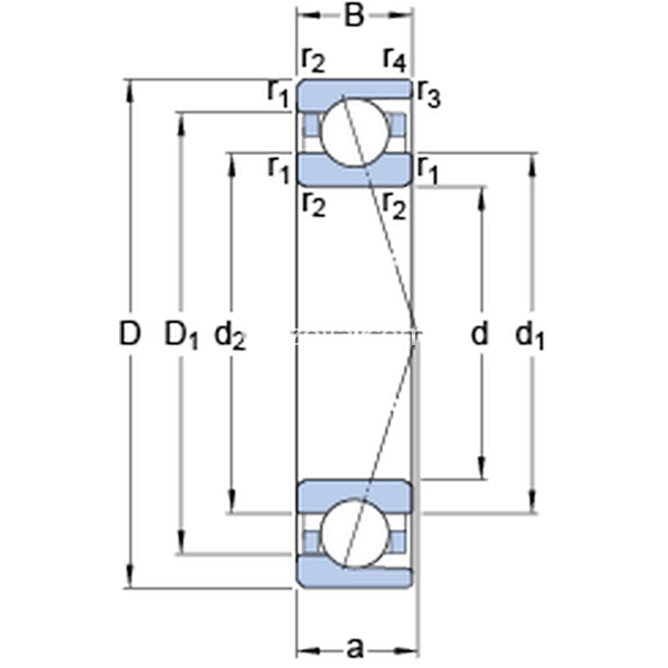
Dimensioni
d 30mm
D 55mm
B 13mm
d1 37.7mm
d2 37.7mm
D1 47.3mm
r1,2min.1mm
r3,4min.0.3mm
a 12.3mm
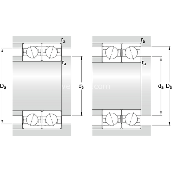
Dimensioni Dello Spallamento
damin.34.6mm
dbmin.34.6mm
Damax.50.4mm
Dbmax.53mm
ramax.1mm
rbmax.0.3mm
dn 39.3mm