Non ci sono articoli nel tuo carrello
SCHEDA ARTICOLO

HM 42 T

GHIERA
Codice: 66515
Disponibilità: Disp. limitata
Disponibilità: 2 disponibile
Marca: SKF
Unità di misura: NR
Quantitativi ammessi: multipli di 1X
Da preventivare

Descrizione

Dimensioni: Foro: 210 mm Diametro: 270 mm Spessore: 30 mm Peso: 4,266 kg


Dettagli

  • EAN-Code : 07316577010612
  • Taric number : 73181650

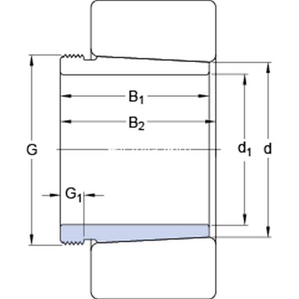
Dimensioni
d1 190mm
d 200mm
B1 102mm
B2 108mm
G Tr 210x4
G1 19mm
Massa
Massa bussola di pressione  3.69kg