Non ci sono articoli nel tuo carrello
SCHEDA ARTICOLO

KMTA20

GHIERA
Codice: 50188
Disponibilità: Disp. limitata
Disponibilità: 4 disponibile
Marca: SKF
Unità di misura: NR
Quantitativi ammessi: multipli di 1X
Da preventivare

Descrizione

Dimensioni: Foro: 100 mm Diametro: 130 mm Spessore: 32 mm Peso: 1,215 kg


Dettagli

  • EAN-Code : 07316577655349
  • Taric number : 73181650

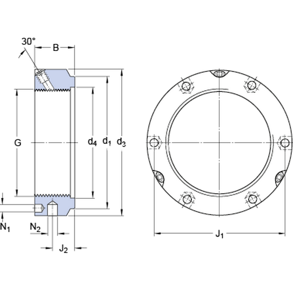
Dimensioni
G M 100x2
d1 120mm
B 32mm
d3 130mm
d4 103mm
Dimensions
J1 118mm
J2 17mm
N1 6.4mm
N2 8mm
Dati Di Calcolo
Capacità di carico statico assiale  740kN
Massa
Massa  1.3kg
Informazioni Di Montaggio
Chiave appropriata  B 120-130
Dimensione vite di pressione  M 10
Coppia di serraggio consigliata per vite di pressione  35N·m