Non ci sono articoli nel tuo carrello
SCHEDA ARTICOLO

305805 C-2Z

ROTELLA A SFERE
Codice: 35108
Disponibilità: disponibile
Disponibilità: 11 disponibile
Marca: SKF
Unità di misura: NR
Quantitativi ammessi: multipli di 1X
€61,10

Descrizione

Dimensioni: Foro: 25 mm Diametro: 62 mm Spessore: 20,6 mm Peso: 0,321 kg


Dettagli

  • EAN-Code : 07316577742735
  • Taric number : 84821090

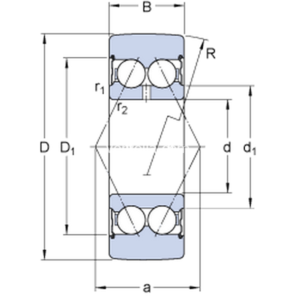
Dimensioni
D 62mm
d 25mm
B 20.6mm
d132.7mm
D145.9mm
R 400mm
r1,2min.1mm
a 30mm
Dati Di Calcolo
Coefficiente di carico dinamicoC 18.6kN
Coefficiente di carico statico di baseC0 11.8kN
Carico limite di faticaPu 0.5kN
Massimo carico radiale dinamicoFrmax.15.3kN
Massimo carico radiale staticoF0rmax.21.6kN
Velocità limite  6000r/min
Massa
Massa rotella a sfere  0.32kg