Non ci sono articoli nel tuo carrello
SCHEDA ARTICOLO

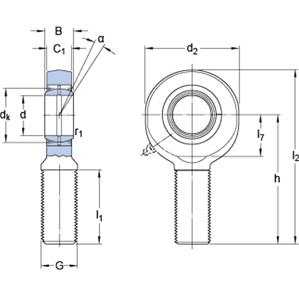
SAA 40 ES-2RS

TESTA A SNODO
Codice: G6826
Disponibilità: Disp. limitata
Disponibilità: 4 disponibile
Marca: SKF
Unità di misura: NR
Quantitativi ammessi: multipli di 1X
Da preventivare

Descrizione

Dimensioni: Foro: 0 mm Diametro: 0 mm Spessore: 0 mm Peso: 1,8671 kg


Dettagli

  • EAN-Code : 07316570612943
  • Taric number : 84833080

Dimensioni
d 40mm
d2max.94mm
B 28mm
G M 39x3
C1max.24mm
h 150mm
α 6°
dk 53mm
l1min.86mm
l2max.199mm
l7min.46mm
r1min.0.6mm
Dati Di Calcolo
Coefficiente di carico dinamicoC 100kN
Coefficiente di carico statico di baseC0 140kN
Fattore di carico dinamico specificoK 100N/mm²
Costante materialeKM 330 
Massa
Massa terminale  1.85kg