Non ci sono articoli nel tuo carrello
SCHEDA ARTICOLO

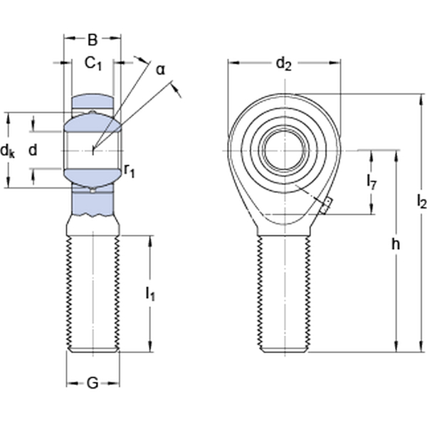
SAKAC 18 M

TESTA A SNODO
Codice: 08835
Disponibilità: Disp. limitata
Disponibilità: 5 disponibile
Marca: SKF
Unità di misura: NR
Quantitativi ammessi: multipli di 1X
€62,52

Descrizione

Dimensioni: Foro: 0 mm Diametro: 0 mm Spessore: 0 mm Peso: 0,29 kg


Dettagli

  • EAN-Code : 07316571093048
  • Taric number : 84833080

Dimensioni
d 18mm
d2max.47mm
B 23mm
G M 18x1.5
C1max.17.5mm
h 72mm
α 15°
dk 31.7mm
l1min.41mm
l2max.97mm
r1min.0.3mm
Dati Di Calcolo
Coefficiente di carico dinamicoC 26kN
Coefficiente di carico statico di baseC0 29kN
Fattore di carico dinamico specificoK 50N/mm²
Costante materialeKM 330 
Massa
Massa terminale  0.26kg