Non ci sono articoli nel tuo carrello
SCHEDA ARTICOLO

SALKB 16 F

TESTA A SNODO
Codice: 10150
Disponibilità: disponibile
Disponibilità: 16 disponibile
Marca: SKF
Unità di misura: NR
Quantitativi ammessi: multipli di 1X
Da preventivare

Descrizione

Dimensioni: Foro: 0 mm Diametro: 0 mm Spessore: 0 mm Peso: 0,201 kg


Dettagli

  • EAN-Code : 07316577001931
  • Taric number : 84833080

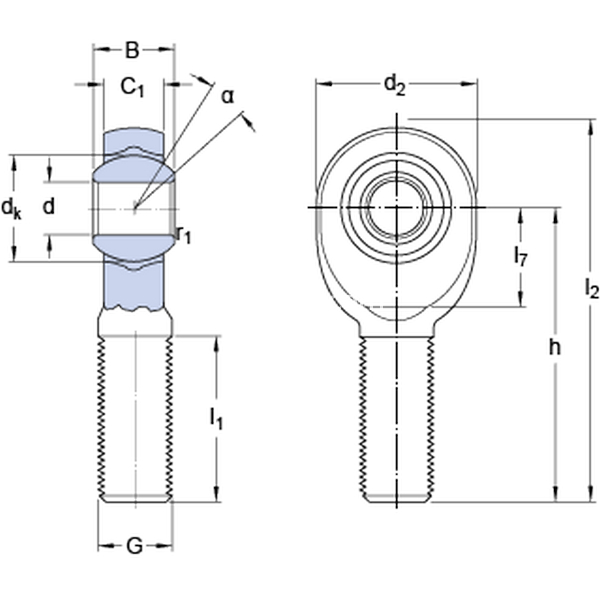
Dimensioni
d 16mm
d2max.43mm
B 21mm
G M 16
C1max.15.5mm
h 66mm
α 15°
dk 28.5mm
l1min.37mm
l2max.89mm
l7min.21mm
r1min.0.3mm
Dati Di Calcolo
Coefficiente di carico dinamicoC 21.4kN
Coefficiente di carico statico di baseC0 34.5kN
Fattore di carico dinamico specificoK 50N/mm²
Costante materialeKM 530 
Massa
Massa terminale  0.2kg